
水輪發電機在停機備用達到一定期限后,為了防止機組轉動時發電機推力瓦與鏡板之間發生干摩擦,出現燒瓦事故,在開機前利用油泵向轉子下方的制動閘中注入高壓油,使發電機轉子向上升起一定距離,并保持一段時間,使推力瓦與鏡板脫開,讓潤滑油進入形成油膜,以保證軸瓦在機組轉動時不至于磨壞。這一過程就是水電行業所說的“頂轉子”。
高壓泵站主要由高壓齒輪泵、溢流閥、單向閥、截止閥、壓力表、過濾器等元件集成,主要作為頂轉子使用,也可為其它液壓設備提供壓力油源。
主要技術參數
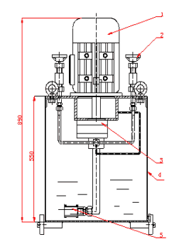
外形圖
![]() |
1.電動機 2.外螺紋角式截止閥 3.齒輪泵 4.油箱 5.網式濾油器
|
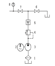
工作原理圖 
1、網式濾油器
2、電動機
3、齒輪泵
4、溢流閥
5、單向閥
6、卸荷截止閥
7、供油截止閥
8、壓力表
選型說明